海灣手動報警按鈕接線示意圖
海灣報警之家工程師本節將為大家講解海灣手動火災報警按鈕的接線示意圖,海灣手動報警按鈕常用型號有:J-SAM-GST9121和J-SAM-GST9122兩種。
一、J-SAM-GST9121手動火災報警按鈕接線示意圖
手動火災報警按鈕外接端子示意圖如圖2- 7。


其中:
Z1、Z2:無極性信號二總線接線端子。
K1、K2:額定DC30V/100mA無源常開輸出端子,當報警按鈕按下時,輸出觸點閉合信號,可直接控制外部設備。
應用方法:
將手動火災報警按鈕的Z1、Z2端子直接接入控制器總線上即可。
二、J-SAM-GST9122手動火災報警按鈕接線示意圖
手動火災報警按鈕的外接端子示意圖如圖2- 10


其中:
Z1、Z2:報警控制器來的信號總線,無極性。
K1、K2:額定DC30V/100mA無源輸出端子,當報警按鈕按下時,輸出觸點閉合信號,可直接控制外部設備。
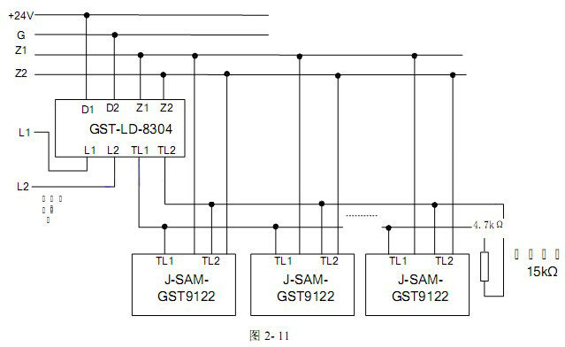
TL1、TL2:與GST-LD-8304連接的端子。
應用方法:
作為手動火災報警按鈕使用時,將報警按鈕的Z1、Z2端子直接接入火災報警控制器總線上即可。作為手動火災報警按鈕及消防電話插孔使用時,將報警按鈕的Z1、Z2端子直接接入火災報警控制器總線上,同時將報警按鈕的TL1、TL2端子與GST-LD-8304消防電話模塊連接,具體見圖2-11所示(最末端報警按鈕的TL1、TL2接線端子接4.7kΩ終端電阻)。


海灣消防公司主營:海灣消防報警系統銷售,消防設備安裝,海灣氣體滅火、海灣電氣火災、消防水噴淋系統施工安裝,售后維修,海灣消防網站:http://www.cqcpsy.cn/;海灣消防服務熱線:4006-598-119
本頁關鍵詞:海灣手動報警按鈕接線示意圖
上一篇:電氣火災監控系統的安裝及布線 下一篇:把機電工程干成這樣,你就是工匠!
技術資料更多 >>


蘇公網安備32058102002147號